
SL621 是兴工微电子的可编程线性霍尔芯片的一员。以其宽广的可调灵敏度范围,易编程,高性价比为广大客户所认可。
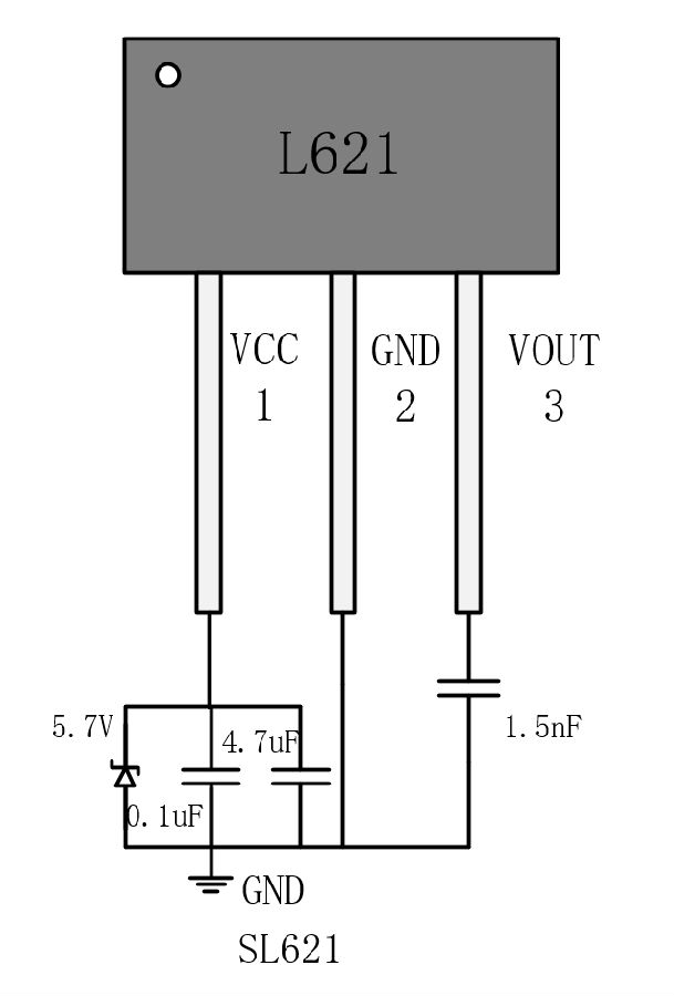
SL621 目前有提供标准 TO92 直插式封装,经过编程校准,它可以测量垂直于 IC 平面的磁场,并提供与外加磁场成比例的电压输出。用户可在通电状态下,以 VIOUT 管脚为双向通讯端口,灵活配置灵敏度、静态(零场)输出电压、参考电压和温度补偿系数。为了保证集成电路在恶劣的电磁铁环境下的稳定性,将配置参数固化进内置的到存储器中。 其独有的多段温度补偿系数,方便客户做系统的温度补偿,以去除磁芯或者位置的温度效应。典型应用电路如左图所示。