锂是一种非常活泼的金属。由锂元素制成的锂离子电池,具有放电电流大、内阻低、寿命长、无记忆效应等优点,现已被广泛使用。但锂离子电池在使用中严禁过充电、过放电和短路,否则将会引起电池寿命缩短或起火、爆炸等事故,因此可充型锂电池都会连接一块充放电保护电路板(常简称保护板)来保护电芯的安全。电流检测和充、放电控制电路是锂电池保护电路中的重要组成部分。当电流检测电路检测到充、放电电流过大时,锂电池保护电路通过关闭过充或过放控制管来切断充电回路,从而达到保护锂电池的目的。目前,具有电流检测电路的锂电池保护电路主要是一些专用集成电路。这些专用集成电路存在成本较高,检测电流较小的问题。
下面介绍一种充电电流检测电路,解决现有的锂电池保护电路中充电电流检测电路成本高、检测电路小的问题。

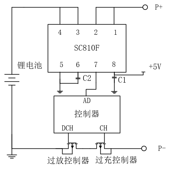
该充电电流检测电路,包括电流检测芯片SC810、控制器、去耦电容C1、降噪电容C2、过放控制管和过充控制管;锂电池负极连接过放控制管的源极和地,过放控制管的漏极连接过充控制管的漏极,过充控制管的源极连接电池系统的负极P-。
兴工微的SC810系列是采用开环霍尔传感器检测原理工作的隔离式电流检测芯片。通过将高压侧的电流导线引入封装体内,基于电流的磁效应,在被测导线周围生成的等比磁场量被内置芯片的磁传感器感应后,转换为可处理的等比电压信号,此电压信号经过内置高精度ADC读取放大,配合数字校准技术,去除掉如温度、噪声、磁滞、非线性度等环境变量,最终输出与被测电流值成近乎理想变比的电压值,实现隔离式的电流测量。
当对锂电池进行充、放电时,电流检测电路根据电流的大小输出一个电压信号,控制器对该电压信号进行AD转换,转换后的数值进行过充或过放的判断,发生过充、过放时,通过过充控制管或过放控制管控制充、放电电流,从而能够以极低的成本检测高达数十安培的充、放电电流,解决了现有的锂电池保护电路中充电电流检测电路成本高、检测电路小的问题。